How SPI Isolated Communication helps BMS in EVs
The growth of Hybrid Electric vehicles (HEV) and Electric vehicles (EV) has spurred the need for conventional 12 V circuits to communicate with higher voltage circuits
How SPI Isolated Communication helps BMS in EVs
The growth of Hybrid Electric vehicles (HEV) and Electric vehicles (EV) has spurred the need for conventional 12 V circuits to communicate with higher voltage circuits

For hybrid vehicles, this would be 48 V batteries whereas for fully electric vehicles this could be 400 V or even more. These multiple voltage domains in the vehicle make isolation devices mandatory for the protection of low voltage side components and circuits from the high voltage battery side. Battery packs in EVs can typically involve 100 or more cells and may extend up to 800 V and beyond to support the demanding AC motor loads. These high-voltage packs increasingly require sophisticated technologies to report cell diagnostics in a safe, timely and reliable manner.
A typical monitoring circuit includes a shunt resistor connected in series with the system load. The load current is indicated by the voltage drop across this shunt resistor. The signal from the shunt resistor is amplified and converted to a digital signal before being fed to the microcontroller (MCU). Since the MCU is on the low voltage side and the measurement circuitry, which includes the amplifier and the Analog-to-Digital Converter (ADC), is on the high voltage side, isolation devices are placed between these two circuits, shown in Figure 1. The type of isolator to be utilised is determined by the interface used to communicate between the ADC and the MCU.

Figure 1: Typical Circuit Diagram of Battery Monitoring System
Galvanic isolation is essential in EVs and HEVs when the grounds of two distinct circuits are at different electrical potentials to prevent the triggering of dangerous ground loops, which can generate noise that could compromise the vehicle's safety. The currents flowing in these vehicles could be lethal, thus it is important to maintain the highest degree of safety.
In EV systems where electrical noise is high and reliability is key, there is a need for a more robust protocol that handles these harsh conditions. Isolated Serial Peripheral Interface (SPI) is an adaptation that retains the advantages of SPI whilst being electrical isolated. The advantages of isolated SPI come from including two twisted wires and transformers for electrical isolation. Termination resistors with resistances ranging from 100 to 120Ω are utilised at each end of the wire. As a consequence, external electromagnetic interference on the wires is reduced to a minimal level, and galvanic isolation is achieved. When one of the master or slave circuits utilises high voltage, another circuit could be vulnerable. Then we use SPI isolation IC. SPI Isolation IC has a galvanic/optical isolation barrier between master and slave devices. This isolation barrier can bear 1KV-5KV without leakage, and protect such high voltage to transfer to another side.
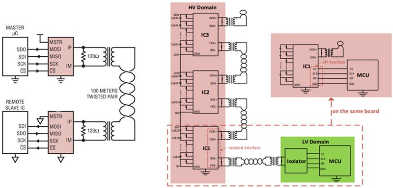
Figure 2: The application of the battery monitoring using SPI isolated communication in EVs
The symbol connection between the stacked battery monitoring ICs and a Li-ion battery charger microcontroller (MCU) is shown in Fig. 2. Multiple integrated circuits (ICs) could be stacked vertically to monitor up to 96 Li-ion batteries. As a result, the front-end monitoring ICs operate in the high-voltage (HV) domain. Isolated communication devices are required when the ICs are linked to an MCU that operates in the low-voltage (LV) domain.
As shown here, the IC integrates two communication interfaces: SPI and the isolated bi-directional SPI interface. The SPI interface connects the bottom IC device in the stack to the MCU. The isolated SPI is utilised to communicate between the ICs that are daisy-chained. To achieve signal transmission amongst the stacked ICs, the isolated SPI interface utilises transformer coupling isolation. Each SPI isolated ICs encodes logic states into signals that are transmitted to another SPI isolated IC through an isolation barrier. The receiving ICs decode the signal and drive the slave bus to the appropriate logic states. To achieve hundreds of volts of isolation, a simple pulse transformer could be used to bridge the isolation barrier. It encodes the four SPI signals into a balanced two-wire differential signal that could be transmitted on the twisted pair cable, eliminating the high common-mode voltage and cancelling EMI from external sources. The complexity of circuits for isolated transmission of SPI communication signals over long distances can be simplified by using SPI isolated communication ICs, as a significant number of components typically required in conventional circuits can be omitted.
A journey towards sustainable mobility!
A comprehensive guide